
| ○ | 特制80mm規格,通孔軸 | ○ | 堅固的機械和電氣結構 | |||
| ○ | 防護等級可達IP67 | ○ | 不大于8192PPR | |||
| ○ | 輸出頻率<300 kHz | |||||
| ○ |
供電: 4. 75VDC to 30VDC 4. 75VDC to 5. 5VDC |
○ |
保護: 輸出短路保護 反極性保護(不含5V系列) |
|||
| ○ | 空載電流:≤ 60mA(24 VDC) | ○ | 分辨率(脈沖數/轉): 1024…8192 | |||
| ○ | 參考信號:零脈沖,寬度 90° 180°,360° 可選 | ○ | 光電壽命:10 萬小時(min) | |||
| ○ | 輸出頻率:<300 kHz | ○ | 輸出信號:90° 移相A、B、Z、+ 取反 | |||
| ○ |
輸出電路: 線性驅動/RS422 推拉 抗短路 NPN開路集電極 |
○ | 抗干擾:DIN EN 61000-6-2 | |||
| ○ | 發射干擾:DIN EN 61000-6-4 | ○ | 認證:CE | |||
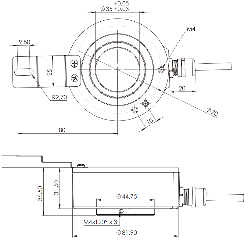
| ○ | 尺寸(法蘭) :ø80mm | ○ |
軸負載: ≤140N 軸向 ≤240 N 徑向 |
|||
| ○ | 防護等級DIN EN 60529 :IP54, IP65 | ○ | 運行轉速:≤10000 rpm | |||
| ○ | 啟動轉矩:≤ 0.025 Nm(IP67) | ○ |
材質: 外殼:不銹鋼 法蘭:不銹鋼 軸:不銹鋼 |
|||
| ○ |
軸徑:38,40,42,44 mm (其余軸徑根據要求) |
○ | 軸承壽命:2×109轉(min)在100%軸承額定負載 | |||
| ○ | 工作溫度:- 20. . . +85 ° C | ○ | 儲藏溫度:- 30 ° C up to +90 ° C | |||
| ○ | 重量約:300g | |||||

![]() |
![]() |